Sistem hibrid cu pompă de căldură și cazan în condensație – studiul de caz al unei săli de sport

Sistem hibrid cu pompă de căldură și cazan în condensație – studiul de caz al unei săli de sport
În cadrul acestui proiect dezvoltat pentru sala de sport, Hoval a colaborat cu partenerul său belgian EDERGEN pentru a crea un sistem de încălzire durabil și prietenos cu clima.
- Blog
- Expert - Inginer
Sistemul hibrid de înaltă tehnologie generează energie termică pentru sala de sport și sala multifuncțională adiacentă, care se mândrește, de asemenea, cu un design arhitectural atractiv și compact, sub forma a trei cuburi interconectate.
Suprafața totală încălzită a Hall Sportif de la Bruyère însumează 2136 m2, energia termică fiind livrată prin intermediul unor aeroterme și radiatoare, care utilizează ca agent termic apa. Pe lângă încălzirea sălii de sport, sistemul de încălzire trebuie să prepare ACM pentru un total de 22 de dușuri. Temperatura de proiectare a sistemului de distribuție a energiei termice este de 60°C. Ca bază pentru sistem a fost luată o temperatură exterioară minimă de -9°C, ceea ce a dus la o sarcină termică calculată de 99 kW pentru sala de sport și sala multifuncțională.
Pompa de căldură aer/apă Belaria fit și cazanul în condensație pe gaz UltraGas 2 formează un sistem eficient de încălzire și preparare ACM.
Puterea necesară pentru încălzirea sălii de sport se modifică în funcție de fluctuațiile sezoniere de temperatură. Avantajele acestui sistem eficient de încălzire și preparare apă caldă menajeră sunt demonstrate: dacă temperaturile scăzute din timpul iernii înseamnă că pompa de căldură Belaria fit nu mai poate acoperi producția de energie termică necesară, cazanul în condensație UltraGas 2 intervine pentru a compensa asigurarea temperaturii necesare în încăpere.

Pompa de căldură Belaria fit: puternică și fiabilă

Cazan în condensație pe gaz cu putere modulantă Hoval UltraGas 2 care poate funcționa și pe propan, H2 ready

80% din consumul anual de energie este acoperit de pompa de căldură Belaria fit
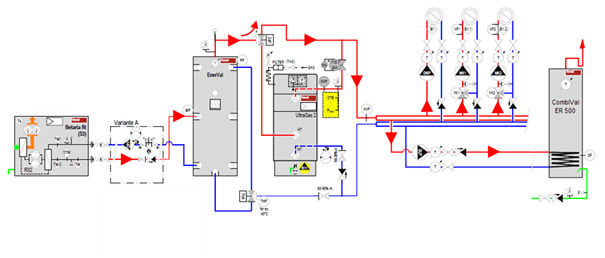
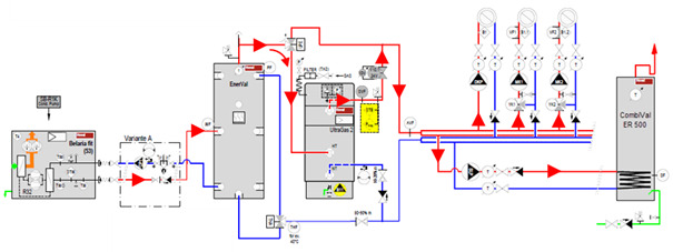
Schema hidraulică a instalației de încălzire/răcire și preparare ACM a sălii de sport
Exemplu: Modul de funcționare a instalației hidraulice în sistem hibrid.

1.Temperatura de referință din sală este obținută de către pompa de căldură Belaria fit:
Pompa de căldură Belaria fit încălzește vasul de acumulare EnerVal până la temperatura de referință necesară. Acum pot fi alimentate direct fie circuitele de încălzire, fie boilerul de apă caldă menajeră CombiVal ER.

2. Temperatura de referință din sală nu este atinsă:
Pompa de căldură Belaria fit încălzește vasul de acumulare EnerVal, dar nu se atinge temperatura de referință necesară. Prin urmare, cazanul în condensație pe gaz UltraGas 2 intervine și încălzește apa de încălzire la temperatura de referință necesară de 60°C. Acum pot fi alimentate direct fie circuitele de încălzire, fie boilerul de apă caldă menajeră CombiVal ER.

Soluție hibridă inteligentă pentru gama bivalentă
Eficiența oricărei pompe de căldură aer/apă va scădea la temperaturi exterioare scăzute. Punctul de bivalență este punctul precis în care devine avantajos - din perspectiva eficienței globale a sistemului de încălzire - să se utilizeze un al doilea generator de căldură pentru a furniza energia termică totală necesară.
Intervalul de bivalență (zona indicată cu albastru în diagrama de mai jos) este intervalul în care al doilea generator de căldură trebuie să acopere sarcina termică necesară a clădirii. UltraGas 2, al doilea generator de căldură, este activat la punctul de bivalență - care se referă întotdeauna la o temperatură exterioară.
Un avantaj esențial al unei soluții hibride este că, în consecință, poate fi selectată o putere mai mică a pompei de căldură. Acest lucru reduce nu numai costurile de investiție, ci și costurile de exploatare în comparație cu un sistem monovalent cu pompă de căldură. La temperaturi peste punctul de bivalență, sala de sport este alimentată cu energie regenerabilă generată de pompa de căldură pe tot parcursul anului. Pe măsură ce temperatura exterioară crește, crește și eficiența pompei de căldură. Folosirea acestei soluții hibride cu o putere mai mică a pompei de căldură înseamnă, de asemenea, că se evită ciclurile nedorite de pornire/oprire.
Un alt avantaj este faptul că existența a două generatoare de căldură sporește fiabilitatea operațională a sistemului. În cazul în care un generator de căldură se defectează, sala de sport poate fi în continuare alimentată cu energie termică.

Caracteristicile pompei de căldură Belaria fit
Sistemul hibrid perfect coordonat - care include o pompă de căldură aer/apă Belaria fit (53) în combinație cu un cazan în condensație pe gaz UltraGas 2 (125), un vas de acumulare EnerVal (500) și un boiler CombiVal ER (500) - reprezintă o soluție inteligentă și durabilă pentru sala de sport polivalentă din La Bruyère.
În plus, pompa de căldură reversibilă Hoval Belaria fit este disponibilă în două game de putere și poate fi utilizată în numeroase proiecte care necesită încălzire sau răcire. Belaria fit utilizează în circuitul său agentul frigorific R32.
Ca unitate individuală, Belaria fit are o putere termică de până la 85 kW. Într-o configurație în cascadă pot fi utilizate simultan până la 16 unități, ceea ce corespunde unei puteri de 1360 kW. Fiind o soluție de încălzire și răcire eficientă din punct de vedere energetic și ecologică, Belaria fit este potrivită pentru blocurile de locuințe, precum și pentru complexele de clădiri mari și sălile de sport sau sălile multifuncționale.